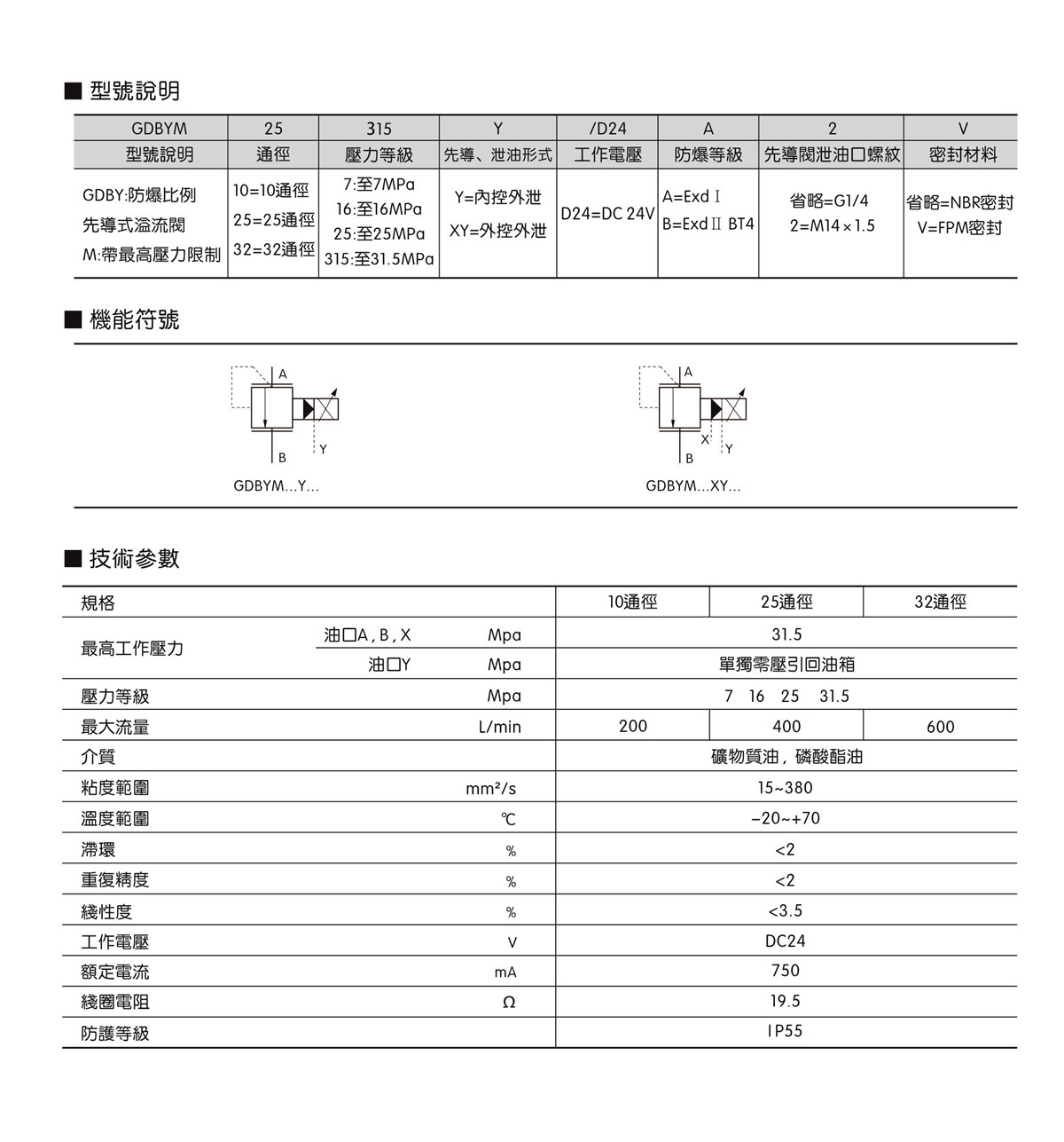
展開全部
收起全部
-
技術特性
● 產品種類豐富 , 隔爆類別多樣
● 電氣裝置采用了嚴格的控制防爆措施 , 接線盒
的進線具有密封可靠、接線方便的特點
● 最高壓力保護結構
● 結構簡單 , 安裝調試重復精度和線性度好 , 通流
能力強
● 此類閥應用于具有危險爆炸環境的液壓系統中 -
技術曲線
-
技術參數
文件下載
PDF文件相關輔件






