展開全部
收起全部
-
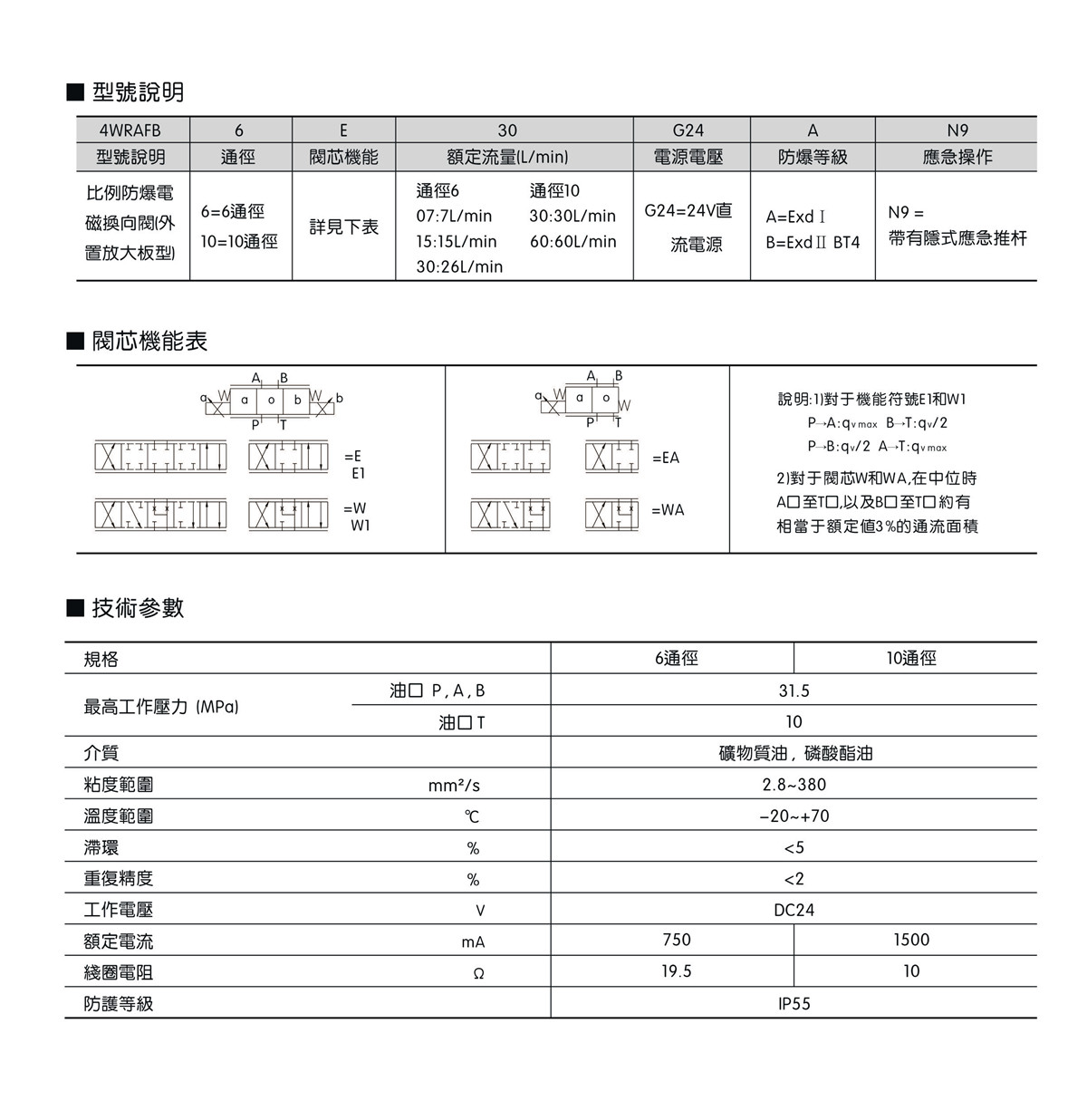
技術特性
● 產品種類豐富 , 隔爆類別多樣
● 電氣裝置采用了嚴格的控制防爆措施 , 接線盒
的進線具有密封可靠、接線方便的特點
● 用來控制液流的流量和流動方向
● 帶外置放大器
● 此類閥應用于具有危險爆炸環境的液壓系統中 -
技術曲線
-
技術參數
文件下載
PDF文件相關輔件
廣州君圣液壓設備制造有限公司 版權所有 粵ICP備2021055458號-1
友情鏈接:液壓系統
