展開全部
收起全部
-
技術特性
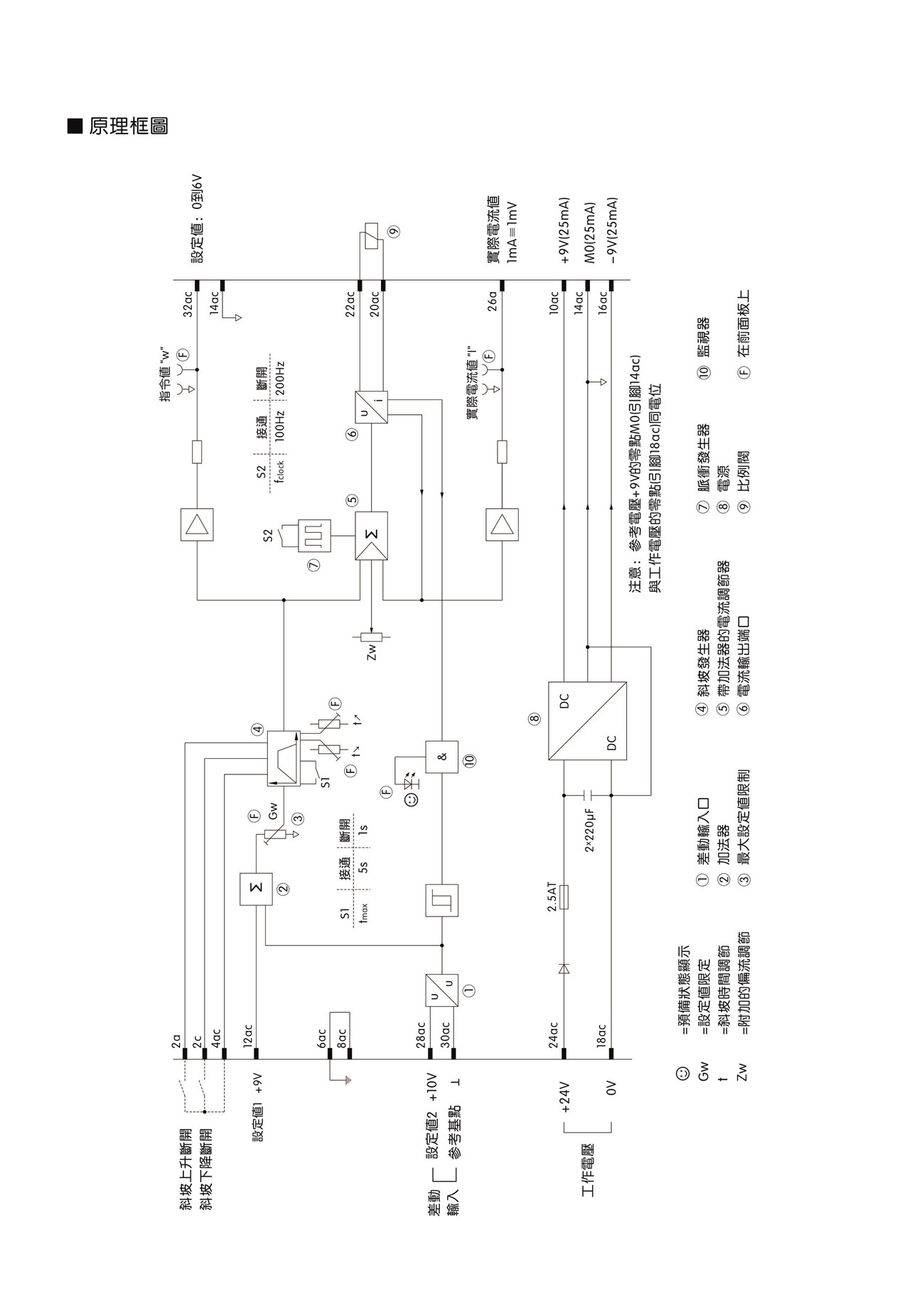
● 適用于控制力士樂系列和北京華德所有先導式和直動式
單電磁鐵比例壓力控制閥
● CPU采用功能強大的32位處理器
● 差分輸入
● 設定值輸入 0 到+9 V
● 帶 LED 顯示的故障報警功能
● 斜坡信號發生器
● 帶 DC/DC 轉換電源
● 參考電壓±9V 的零點與供電電壓零點同電位
● 具有電源錯級保護功能
● 電磁鐵電纜短路保護
● 電磁鐵電纜斷線檢測
● 設計為歐板制式 100×160 mm 印刷電路板及導軌安裝,
操作面板 20×128.4 mm
配套支架安裝:
型號RT-PAH-32D或RT-3002-2X/32D,歐板標準尺寸,
32位D型端子,無電源模塊,詳見RD13781和RD13782
-
技術曲線
-
技術參數





