展開全部
收起全部
-
技術特性
● 在P到A或P到B流道內負載補償(內裝梭閥)
● 2通型 "P"
● 3通型 "PT"
● 最大壓力: 31.5MPa
● 與先導式或直動式比例換向閥合用于流量調節
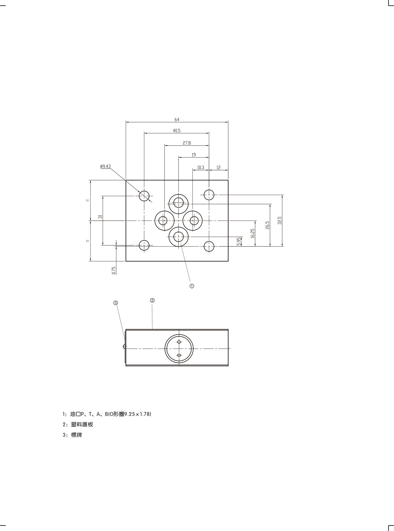
● 疊加閥,安裝面按ISO 4401
-
技術曲線

-
技術參數
● 在P到A或P到B流道內負載補償(內裝梭閥)
● 2通型 "P"
● 3通型 "PT"
● 最大壓力: 31.5MPa
● 與先導式或直動式比例換向閥合用于流量調節
● 疊加閥,安裝面按ISO 4401

廣州君圣液壓設備制造有限公司 版權所有 粵ICP備2021055458號-1
友情鏈接:液壓系統
