展開全部
收起全部
-
技術特性
● 直動式比例伺服方向換向閥 , 采用帶有伺服閥性能的
閥芯閥套結構。
● 具有安全位置的4位4通結構 , 電磁鐵單邊驅動 , 斷電
時處于安全位置。
● 最大壓力: 31.5MPa
● 帶有電氣位移反饋的高頻響比例電磁鐵。
● 集成數字式控制器 , CPU采用32位高速處理器 , 最優
化的PID位置控制算法。
● 差分指令信號輸入 , A1型為0...±10V , F1型為 4...20mA。
● 適用于控制精度要求高的電液伺服控制系統。
● 底板安裝面符合ISO 4401。
● 電氣連接為6P+PE(訂貨型號為KT-QXCT-1X)。
-
技術曲線



-
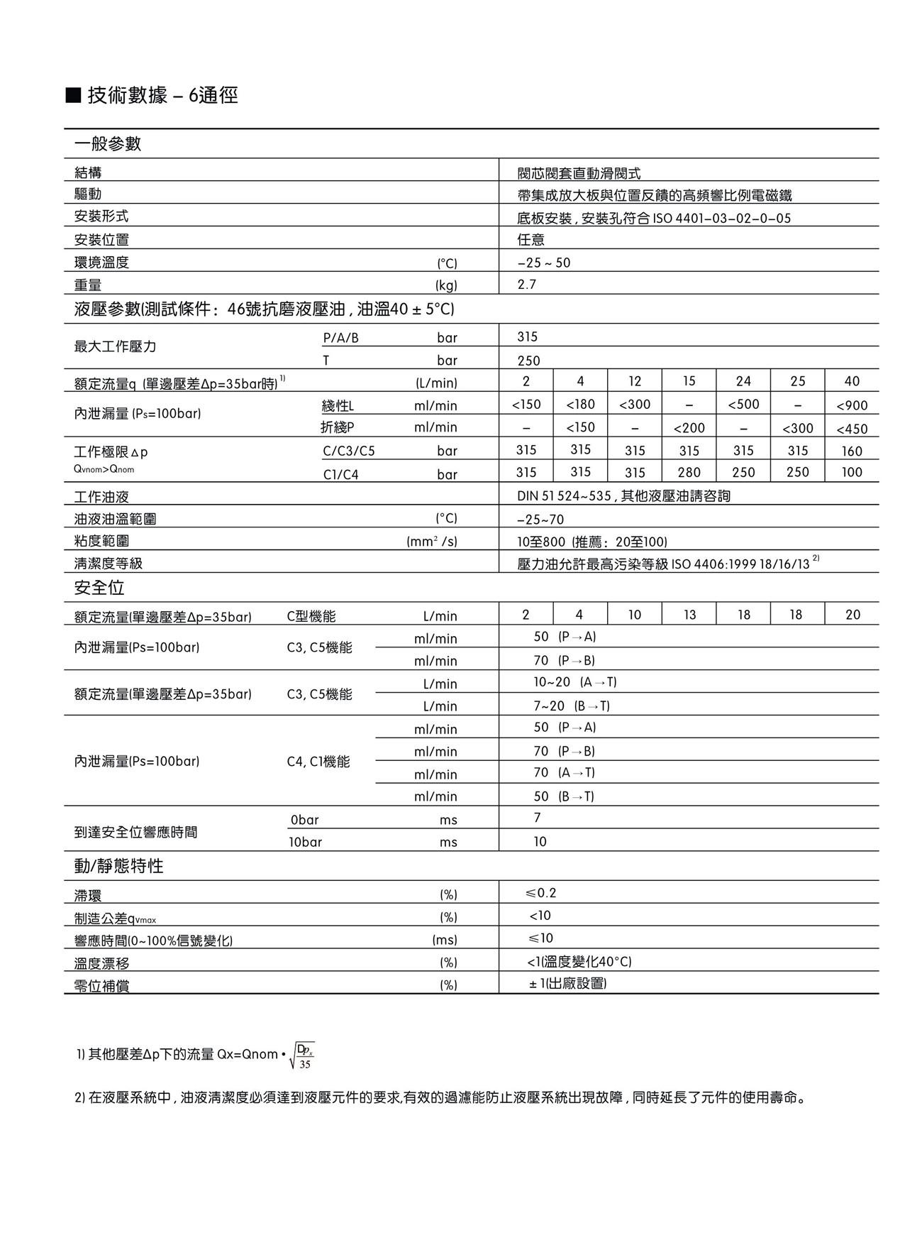
技術參數






