展開全部
收起全部
-
技術特性
● 直動式比例伺服方向控制閥 , 采用帶有伺服閥性能的
閥芯閥套結構。
● 具有安全位置的4位4通結構 , 電磁鐵單邊驅動 , 斷電
時處于安全位置。
● 帶有電氣位移反饋的高頻響比例電磁鐵。
● 最大壓力:31.5MPa
● 適用于控制精度要求高的電液伺服控制系統。
-
技術曲線


-
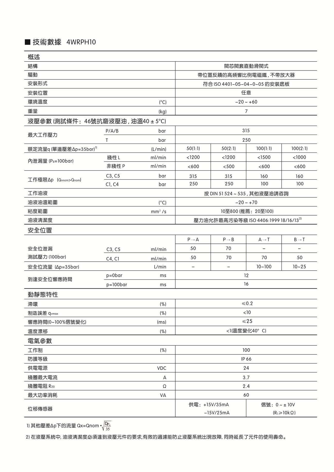
技術參數
文件下載
PDF文件相關輔件






